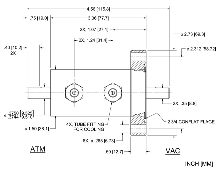
The SS-375-SLCBW vacuum rotary feedthrough features a Solid shaft with ConFlat Flange mounting. Dimensional details are specified below. This vacuum seal is also water-cooled for high-temperature applications. For precision measurement specifications, refer to the Spec Control Drawing.
Ferrotec Part Number 103912 Dimension Specification Drawing
Specifications for Ferrotec Part Number 103912
| Shaft | Solid Shaft |
| Shaft Support: |
Simply Supported (vac+atm sides) |
| Ferrofluid | Standard |
| Mounting | ConFlat Flange |
| Features: |
Water-cooled |
|
Dimensions: |
|
| Shaft (or bore) Diameter with tolerance | 0.3747 in |
| Shaft termination | .030d x .40L (flat) in |
| Shaft extension (Vac) | 0.75 in |
| Overall length | 4.56 in |
| Housing overall length | 3.06 in |
| Housing diameter | 1.5 in |
| Body length | 2.56 in |
| Flange diameter | 2.73 in |
| Flange thickness | 0.5 in |
| Fitting locations | 1.068, 1.236 in |
| Mounting holes | 0.265, 6x on 2.312 bc. in |
| Flange Type | ConFlat Flange |

