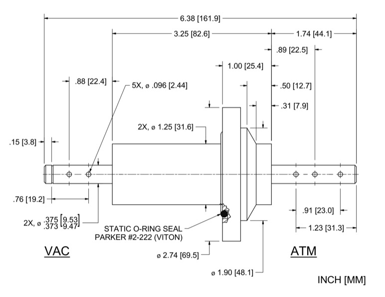
The SS-375-SLES vacuum rotary feedthrough features a Solid shaft with Custom mounting. Dimensional details are specified below. For precision measurement specifications, refer to the Spec Control Drawing.
Ferrotec Part Number 114892 Dimension Specification Drawing
Specifications for Ferrotec Part Number 114892
| Shaft | Solid Shaft |
| Shaft Support: |
Simply Supported (vac+atm sides) |
| Ferrofluid | Standard |
| Mounting | Custom |
|
Dimensions: |
|
| Shaft (or bore) Diameter with tolerance | 0.375 in |
| Shaft extension (Vac) | 1.391 in |
| Overall length | 6.375 in |
| Housing overall length | 3.25 in |
| Housing diameter | 1.895 in |
| Body length | 2.25 in |
| Recommended mounting bore | 1.255 |
| Flange diameter | 2.735 in |
| Flange thickness | 0.375 in |
| Mounting holes | .228 6x on 2.250 bc in |
| Face seal O-ring | 2-222 |

