Ferrotec’s Ferrofluidic seal Feedthrough Model HS-1500-SLFBCW (part number 103354)
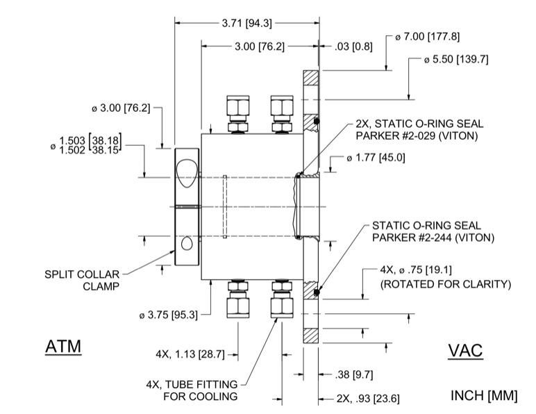
The HS-1500-SLFBCW vacuum rotary feedthrough features a Hollow shaft with Ferro Flange mounting. Dimensional details are specified below. This vacuum seal is also water-cooled for high-temperature applications. For precision measurement specifications, refer to the Spec Control Drawing.
Ferrotec Part Number 103354 Dimension Specification Drawing
Specifications for Ferrotec Part Number 103354
| Shaft | Hollow Shaft |
| Shaft Support: |
Simply Supported (vac+atm sides) |
| Ferrofluid | Standard |
| Mounting | Ferro Flange |
| Features: |
Water-cooled Shaft Clamp |
|
Dimensions: |
|
| Shaft (or bore) Diameter with tolerance | 1.5025 in |
| Shaft extension (Vac) | 0.03 in |
| Overall length | 3.714 in |
| Housing overall length | 3 in |
| Housing diameter | 3.75 in |
| Body length | 3.62 in |
| Clamp diameter | 3 in |
| Clamp thickness | 0.625 in |
| Recommended shaft diameter | 1.5 |
| Flange diameter | 7 in |
| Flange thickness | 0.38 in |
| Fitting locations | 0.93, 1.13 in |
| Mounting holes | 0.750, 4x on 5.500 bc in |
| Face seal O-ring | 2-244 |

