Ferrotec Feedthrough Model CM-2000-CLFSWC Ferrofluidic Part Number 122151
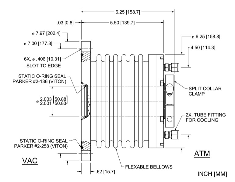
The CM-2000-CLFSWC vacuum rotary feedthrough features a Hollow shaft with Compliant Mount mounting. Dimensional details are specified below. This vacuum seal is also water-cooled for high-temperature applications. For precision measurement specifications, refer to the Spec Control Drawing.
Specifications for Ferrotec Part Number 122151
| Shaft | Hollow Shaft |
| Shaft Support: |
Cantilevered (both on atm side) |
| Ferrofluid | Standard |
| Mounting | Compliant Mount |
| Features: |
Water-cooled Shaft Clamp |
|
Dimensions: |
|
| Shaft (or bore) Diameter with tolerance | 2.002 in |
| Shaft extension (Vac) | 0.03 in |
| Overall length | 6.25 in |
| Housing overall length | 5.5 in |
| Housing diameter | 6.25 in |
| Body length | 4.88 in |
| Clamp diameter | 3.5 in |
| Clamp thickness | 0.63 in |
| Recommended shaft diameter | 2 |
| Flange diameter | 7.97 in |
| Flange thickness | 0.62 in |
| Mounting holes | .406, 6x on a 7.000 bc in |
| Flange Type | Compliant |
| Face seal O-ring | 2-258 |

