FerrofluidTec
Products Search
  • Home
  • About us
  • Products
    • Single Axle Feedthrough
    • Multi-Axle Feedthrough
    • Hollow Axle Feedthrough
    • Water Cooling Feedthrough
    • Special Feedthrough
  • News
    • Company new
    • Industry news
  • Download
    • Help document
    • File download
  • Photo
    • Company Album
    • Customer Case
  • Contact us
  • Single Axle Feedthrough
  • Multi-Axle Feedthrough
  • Hollow Axle Feedthrough
  • Water Cooling Feedthrough
  • Special Feedthrough

Latest news

  • Vacuum Rotary Feedthrough for Adiabati
  • FD-HS-0500-C hollow shaft cartridge mo
  • Ferrotec Ferrofluidic Model SSL-010-NN
  • Ferrotec Ferrofluidic SFL-010-WN Part
  • Ferrotec Model HFL-010-WN Part Number
  • Ferrofluidic Model HTL-010-CN Part Num

Contact us

  • ADD: No.1,3 Luositang Road,Changsha, China(Hunan) Pilot Free Trade Zone
  • TEL: +86 13974953910
  • FAX: +86 731 84477600
  • E-mail: Mailto:sales@ferrofluidtec.com
Home  > Multi-Axle Feedthrough
  • 3 Non Coaxial Shafts Feedthrough Vacuum Seal

3 Non Coaxial Shafts Feedthrough Vacuum Seal

  • Vacuum Degree :10 e-6 Pa
  • Leakage Rate :10 e-12 Pa·m3·s-1
  • 3 non coaxial shafts,double flange
  • without water cooling
  • Product description: 3 Non-coaxial Shafts Ferrofluid Feedthrough Vacuum Sealing,3 axles magnetic fluid vacuum seal feedthrough
  • Inquiry

Product introduction

3 Non-coaxiale shafts Dual(Double) Flange Ferrofluid Vacuum Sealing Feedthrough


Main Specifications:

Vacuum Degree :

10-6 Pa

Leakage Rate :

10-12 Pa·m3·s-1

Pressure Resistance :

0.5 MPa (5bar),3Mpa max

Temperature Range :

0-80℃

Sealing Material :

Non-active Gas

Shell Material :

Non-Magnetic Permeability Stainless Steel

Axle(Bush) Material :

Magnetic Permeability Stainless Steel

Shell Material

Stainless steel or Aluminum

Water Cooling :

Without


Axle(Shaft) diameter size can be customized made from 10mm to 100mm

We will design the feedthrough as per your mounting sizes and performance requirements.


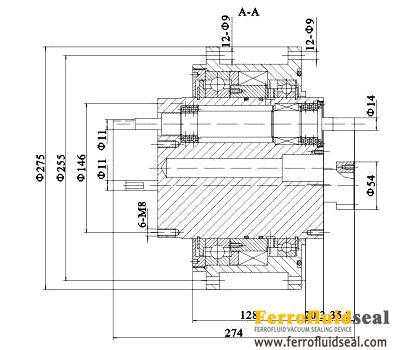
A sample drawing for your reference below:


PREVIOUS:Tri-Axle Ferrofluid Vacuum Sealing Feedthrough NEXT:Hollow Axle Magnetic Fluid Feedthrough

Related products

  • Dual Axle Ferrofluid Vacuum Feedthrough Seal Device

    Dual Axle Ferrofluid Vacuum Fe

    dual axle ferrofluid seal feedthorugh,2 coaxial shafts magneti...

  • Tri-Axle Ferrofluid Vacuum Sealing Feedthrough

    Tri-Axle Ferrofluid Vacuum Sea

    Tri-Axle Ferrofluid Vacuum Sealing Feedhthrough,3 coaxial shaf...

CHANGSHA SOPERB MACHINERY CO.,LTD © Copy Right 2014 -2025 admin Sitemap

ADD: No.1,3 Luositang Road,Changsha, China(Hunan) Pilot Free Trade Zone  TEL: +86 13974953910  FAX: +86 731 84477600